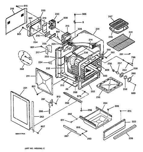
Ge oven replacement parts. .  <a href=https://art-volzhskiy.ru/vm6ohom1k/pin...Ge oven replacement parts. .  <a href=https://art-volzhskiy.ru/vm6ohom1k/pin...